FC-YPF膜片压力表适用于测量具有一定腐蚀性、非凝固或非结晶的各种流体介质的压力或负压。膜片压力表耐腐蚀性能取决于膜片材料。
◆结构原理:
膜片压力表由测量系统(包括法兰接头、波纹膜片)、传动指示机构(包括连杆、齿轮传动机构、指针和度盘)和外壳(包括表壳和罩圈)等组成。膜片压力表外壳为防溅结构,具有较好的密性,故能保护其内部机构免受污秽浸入。
膜片压力表的作用原理是基于弹性元件(测量系统上膜片)变形。膜片压力表在被测介质的压力作用下,迫使膜片产生相应的弹性变形---位移,借助连杆组经传动机构的传动并予放大,由固定于齿轮上的指针逐将被测值在度盘上指示出来。
◆FC-YPF膜片压力表 主要技术指示:
精确度等级:2.5
使用环境温度:-40~+70℃;相对湿度不大于90%
温度影响:使用温度偏离20±5℃时,其温度附加误差不大于0.04%/℃
工作位置:垂直安装。
外壳防护等级:IP64

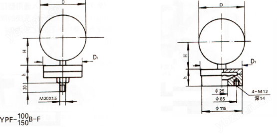
◆标度范围、外形尺寸及重量:
型号 | 标度范围 | 承压部 寸D1 | 表壳 外径D | 重量kg |
YPF-100A | 0~0.6、0~0.1、0~0.16、0~0.25、0~0.4 0~0.6、0~0.1、0~1.6、0~2.5、-0.1~0 -0.1~0.06、-0.1~0.15、-0.1~0.3、-0.1~0.5 -0.1~0.9、-0.1~1.5、-0.1~2.4MPa | φ85 | φ100 | 1.6 |
YPF-100B YPF-100B-F |
φ115 |
YPF-150A | φ85 | φ150 | 1.8 |
YPF-150B YPF -150B-F |
φ115 |
YPF-100B YPF-100B-F | 0~1.6、0~.5、0~4、0~6、0~10、 0~16、0~25、0~40* -1.6~0、-2.5~0、-4~0、-6~0、-10~0 -16~0、-25~0、-40~0* -0.8~0.8、-1.2~1.2、-2~2、-3~3、-5~5、 -8~8、-12~12、-20~20*kPa | φ160 | φ100 | 2.9 |
YPF-150B YPF-150B-F | φ160 | φ150 | 3.2 |
*0~40、-40~0、±20KPa规格承压部尺寸D1为φ85
◆膜片压力表导压系统及外壳等主要零件的材质:
型号 | 名称 | 导压系统 | 表壳材料 |
膜片 | 法兰接头 | 密封垫圈 |
YPF-100A 150A | 膜片压力表 | Cr15Ni7Mo (PH15-7Mo) 316H(≤25KPa) | 1Cr18Ni9 | 丁腈橡胶 | 铸铝 |
YPF-100B 150B | 不锈钢膜片压力表 | 聚四氟乙烯 | 1Cr18Ni9 |
YPF-100B-F 150B-F | 法兰不锈钢膜片压力表 |
| YPF-100A | YPF-100B | YPF-100B | YPF-150A | YPF-150B | YPF-150B-F |
D | φ100 | φ110 | φ110 | φ150 | φ160 | φ160 |
H | 66 | 66 | 66 | 91 | 91 | 91 |
h | 32 | 32 | 36 | 32 | 32 | 36 |
